- Ajoneuvotekniikka
- Ajoneuvot
- Ajoneuvo vuokraus
- Markiisit ja Etuteltat
- Kaasuosat ja lämmityslaitteet.
- Multimedia
- Sähkö
- Vesi, viemari ja WC
- Leirintä ja puutarha
- Keittiövarusteet Jääkaapit Ilmastointi
- Lajittelemattomat varaosat
- Asuntotontit Kasurilassa
- Moottoripyörät myynti
- Uutuudet
- Tarjouksessa
Alennuskoodi / lahjakortti
Onko sinulla kampanja- tai alennuskoodi?
Jaa tuote



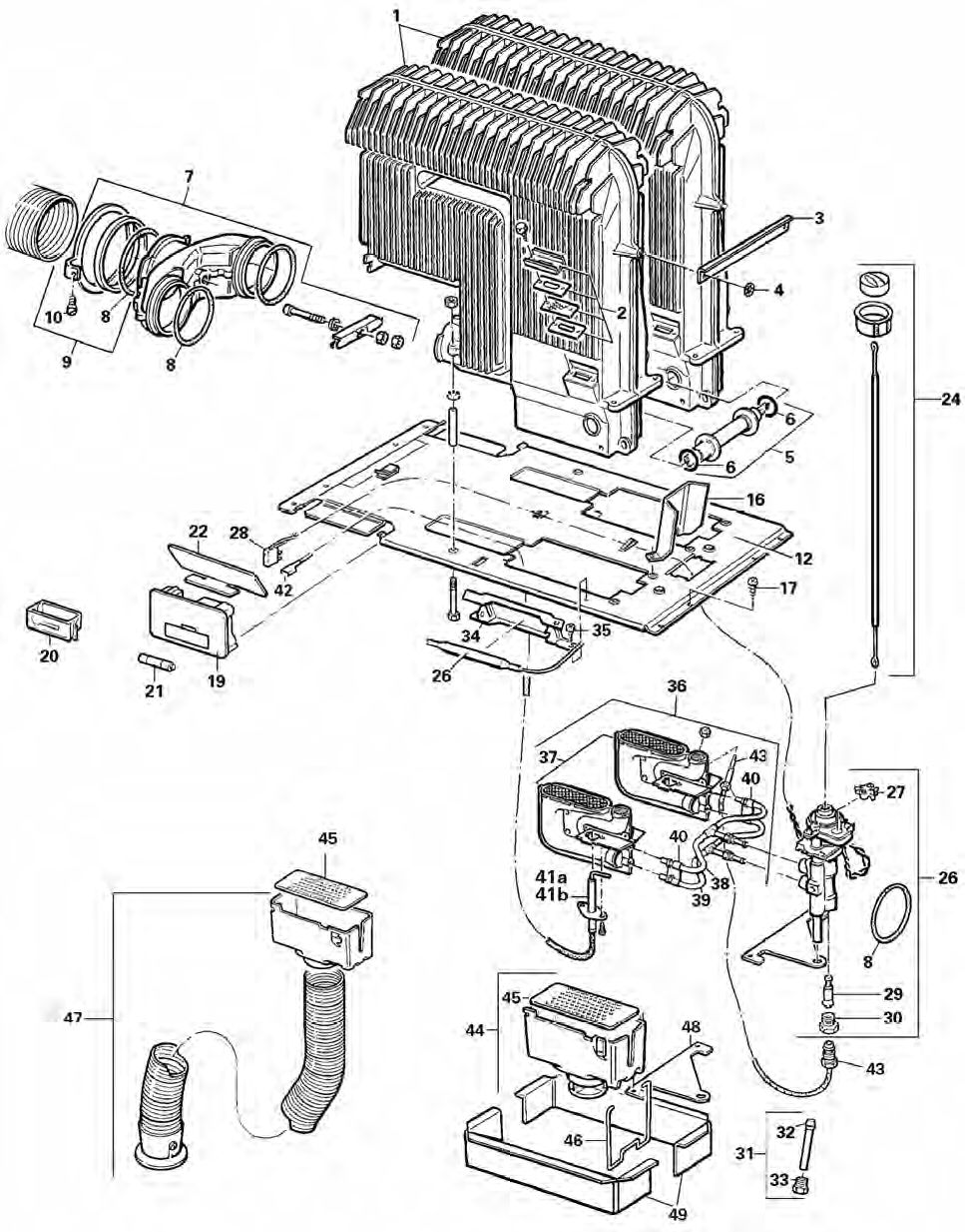
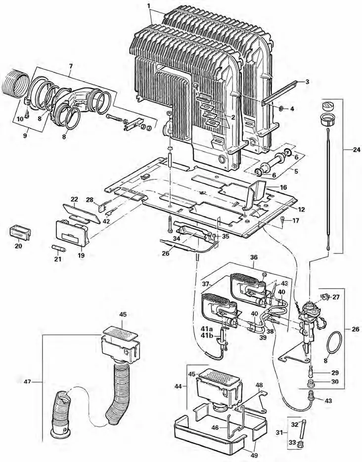
Korjaus-perushuolto Trumatic S 5002:een. Lämmittimen kunnostus uusilla osilla .Toimitettu lämmitin tarkastetaan ja koekäytetään, jonka jälkeen korjataan asiakkaan toiveiden mukaisesti... Lue lisää
240,00 €
- Tuotekoodi: 3001002
- Tuotetta saatavissa verkkokaupan etävarastostaLähetysaika n. 7-20 arkityöpäivää arkipäivää
- Toimituskulut alkaen 7,90 €Nouto myymälästä0,00 €
kpl
Korjaus-perushuolto Trumatic S 5002:een. Lämmittimen kunnostus uusilla osilla .Toimitettu lämmitin tarkastetaan ja koekäytetään, jonka jälkeen korjataan asiakkaan toiveiden mukaisesti vaihtamalla tarvittavat sovitut uudet osat. Lähetä lämmitin matkahuollossa Siilin Caravaniin hyvin pakattuna lähetteen kanssa, jossa kerro viat ja korjaustoivomukset. Maksa lähetys Jakopakettina osoite; 71800 Siilinrvi matkahuolto jakopaketti Viitonen 1926. Lämmittimen tarkastus-ja koekäyttömaksu 240€ maksa verkkotilauksena ja matkahuolto 12,90 paluurahti merkitse myös verkkokaupan tilauksen yhdeydessä. Tarvittavat vaihto-osat maksetaan erikseen ja vaihtotyö lisäksi. Voitte myös tuoda lämmittimen meille liikkeeseen itse tai postin kautta tai muilla kuljetustavoilla. Tai vaunussa tai tai autossa kiinni, jolloin laskutamme erikseen iroitus ja kiinnitys maksun käytetyn ajan mukaan. Olemme hyväksytty nestekaasulaite-asennusliike. Asennuksillamme on takuu. Lämmittimen irroitus : Kun haluatte irroittaa Trumatic 5002 SL lämmittimen , ota ensin etupelti pois nostamalla ja sitten irroita pakoputki löysäämällä kiristin- lemmarin ruuvia ja vedä suojaputkiedestä pois ja rosteri pakoputki myös tiivisteineen ulos. Tämän jälkeen tarkista jotta kaasuhana on kiinni ja kaasupullo suljettu. Nyt mene vaunun tai auton alle ja avaa lämmittimeen tuleva kaasuputki liittimestä. Nyt voit irroittaa kiinnitysruuvit, jotka on lämmittimen pohjalevyn läpi lattaan kierrettynä. Nyt voit nostaa lämmittimen pois kallistamalla itseesi päin. Koko lämmitin osineen hyvin pakattuna meille. Emme vastaa matkalla tapahtuneista vahingoista, joten pakatkaa kunnolla.
Oletko ostanut tämän tuotteen?
Nouto Postista
7,90 €
Nouto Postin pakettiautomaatista
7,90 €
Särkyvä lähetys
22,00 €
Nouto myymälästä
0,00 €