
- Ajoneuvotekniikka
- Ajoneuvot
- Ajoneuvo vuokraus
- Markiisit ja Etuteltat
- Kaasuosat ja lämmityslaitteet.
- Kaasu -asennusosat
- Lämmitysys kaasulla,Dieselillä, Bensalla
- Truma Diesel-l kaasu Bensa lämmittimet
- Diesel pannujen osat
- Alde lämmityspannut
- Alde varaosat ja tarvikkeet
- Nesteklämpökierto-osat
- Ilmakeskuslämmityskierto osat
- Truma osat S3002-04, 5002-04 ja 3002K-4k
- Truma C3402- 4002-6002CH varaosat
- Truma Combi - EH pannujen osat
- Truma 2800-4000 jne varaosat
- Truma S5004-S3004 ja S 2200 lämmitin
- Truma S5004-S3004 ja S 2200 osat
- Vario Heat lämmittimet ja osat
- Lämmittimien pakosarjan osat
- Truma Combi / E / Diesel varaosat
- Agua-Hot kaasu 6 kkw sähkö 1,8 Kw
- Webasto nestekaasulämmittimet autoon
- Trumatic 2200 ja osat
- Dometic kaasu-sähkö lämmitys
- Webasto+vastaavat lämmittimet.
- Safire Diesellämmittimet
- Mökkillämmitin Diesel Safire
- Kaasutekniikka laittet ja osat.
- Grillit uunit ja keittimet
- Primus- Alde, Trumatic osat - tarvikkeet
- Vesikeskuslämmitysosat
- Vedenlämmittimet
- Lämmityslaiteiden osat KAMA.tilaustuotte
- Multimedia
- Sähkö
- Vesi, viemari ja WC
- Leirintä ja puutarha
- Keittiövarusteet Jääkaapit Ilmastointi
- Lajittelemattomat varaosat
- Asuntotontit Kasurilassa
- Moottoripyörät myynti
- Uutuudet
- Tarjouksessa
Alennuskoodi / lahjakortti
Onko sinulla kampanja- tai alennuskoodi?

Truma Combi - EH pannujen osat
EUR
147 tuotetta
Järjestys:


Magneettiventtiili Combi/E Tilalle 34020-00231
Tuotekoodi: 34020-63000
147,00 €
Tuote tilapäisesti loppu

Vedenlämpötilatunnistinsarja Combi/E
/ylikuumenemis-sarja Combi/E & Combi D
Truma vedenlämpötilan tunnistin Combi, Combi E, Combi D ov o.9912715
Tuotekoodi: 34020-63200
43,10 €
Heti omasta varastosta
Tuotteet lähetetään 1-4 arkipäivässä
kpl

Lämpötilatunnistin Combi 6 / E (termostaattilevy)
Lämpötilatunnistin Combi 6 / E (termostaattilevy)
Tuotekoodi: 34020-63300Tilauskoodi: 34020-63300
180,00 €
Tuotetta saatavissa verkkokaupan etävarastosta
Lähetysaika n. 7-20 arkipäivää arkipäivää
kpl

Lämpötilatunnistin Combi 4
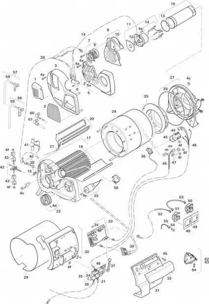
Termostaattilevy Kuvassa N.40.
Tuotekoodi: 34020-63500
155,00 €
Heti omasta varastosta
Tuotteet lähetetään 1-4 arkipäivässä
kpl


Kara takaiskuv. pun. 10 mm letkulle Combi alk. -19009001
Truma combit letku mukana.
Tuotekoodi: 34020-63900
34,50 €
Heti omasta varastosta
Tuotteet lähetetään 1-4 arkipäivässä
kpl


Kara takaiskuv. pun. John Guest Combi alk. -19009001 Kara, kulma, takaiskuventtiili JG 10 / JG 12 pikakiinnitys John Guest kovaputkiliitos.
Kovalle putkelle, pikaliitos
Tuotekoodi: 34020-64000
42,00 €
Heti omasta varastosta
Tuotteet lähetetään 1-4 arkipäivässä
kpl

Kiertoilmakotelon pohja oikea puoli Combi / E
Tuotekoodi: 34020-65000
54,00 €
Tuote tilapäisesti loppu

Kiertoilmakotelon pohja vasen puoli Combi / E
Tuotekoodi: 34020-65100
54,00 €
Tuote tilapäisesti loppu

Poltinyksikkö täydellinen Combi Diesel 6
Polttosarja Truma Diesel 6 Tiilaustuote Saataavana 3-6 arkipäivään.
Tuotekoodi: 34020-65500
872,00 €
Tuote tilapäisesti loppu

Termostaattilevy sis. Kaap. Combi D val.nro. 21033000 asti
Tuotekoodi: 34020-66900
159,00 €
Tuote tilapäisesti loppu

Kaapelisarja 1,8 m seinäläpiv. puhaltimelle Combi D
Tuotekoodi: 34020-68300
107,00 €
Tuote tilapäisesti loppu

Trumatic
Polttoainepumppu Combi D dieselpumppu
12 V. Combi lämmittimet..
Truma polttoainepumppu 12 V, annostelupumppu - Dieselpumppu. Saatavana tilaustuotteena 2-5 arkityöpäivään.
Tuotekoodi: 34020-69600
225,00 €
Tuotetta saatavissa verkkokaupan etävarastosta
Lähetysaika n. 7-20 arkipäivää arkipäivää
kpl

Seinäläpiviennin ulko-osa C-lämm. / Combi Antrazitvärinen
Tuotekoodi: 34020-70500
153,00 €
Tuote tilapäisesti loppu

Tyhjennysventtiili 2,8 bar Combi John Guest (kova putki)
Tuotekoodi: 34020-80300
251,00 €
Tuote tilapäisesti loppu

Termostaattilevy sis. kaap. Combi D val.nro. alk. 21033001
Tuotekoodi: 34020-82500
182,00 €
Tuote tilapäisesti loppu

Trumatic
Truma piirilevy 12V Combi D 4, Combi D
4 E Combi Diesel piirilevy.
Tuotekoodi: 34030-06200
325,00 €
Tuotetta saatavissa verkkokaupan etävarastosta
Lähetysaika n. 7-20 arkipäivää arkipäivää
kpl


Truma piirilevy 12V Combi D 6, Combi D
E Combi Diesel piirilevy.
Truma piirilevy 12V Combi D 6 , Combi D 6 E.
Tuotekoodi: 34030-06300
347,67 €
Tuotetta saatavissa verkkokaupan etävarastosta
Lähetysaika n. 7-20 arkipäivää arkipäivää
kpl


Piirilevy Combi 4/4E tuote 34030-18400
Piirilevy Combi 4/4E tuote 34030-18400. Elekroniikka tuotteella ei ole palautusoikeutta jos pakkaus on avattu.
Tuotekoodi: 34030-18200
490,00 €
Tuote tilapäisesti loppu

Piirilevy Combi 6/6E vm 07-18 9938220
Tuotekoodi: 34030-18300
505,38 €
Tuotetta saatavissa verkkokaupan etävarastosta
Lähetysaika n. 7-20 arkipäivää arkipäivää
kpl


Trumatic
Kara 10 mm letkulle, takaiskuventtiilill
C-ja combi pannut + alde. lämminvesi
Kara 10 mm letkulle, takaiskuventtiili M 20 / TB 10 3000471
Tuotekoodi: 34150-01
39,00 €
Heti omasta varastosta
Tuotteet lähetetään 1-4 arkipäivässä
kpl


Kara John Guest System truma takaisku-
Venttiilillä mutka kova putki. C-truma
Kara, takaiskuventtiili M 20 / JG 12 Mutteriliitos / John Guest kovaputkiliitos. 3000571
Tuotekoodi: 34151-03
24,90 €
Heti omasta varastosta
Tuotteet lähetetään 1-4 arkipäivässä
kpl

Pakoputkis-srj. CDW Combi Diesel 60 cm
Tuotekoodi: 34501-01
288,00 €
Tuotetta saatavissa verkkokaupan etävarastosta
Lähetysaika n. 7-20 arkipäivää arkipäivää
kpl

Pakoputkis-srj. CDW Combi Diesel 70 cm
Pakoputkisarja Combi D 0.7 m
Tuotekoodi: 34501-02
288,00 €
Tuotetta saatavissa verkkokaupan etävarastosta
Lähetysaika n. 7-20 arkipäivää arkipäivää
kpl


Ohjauspaneeli mekaaninen Combi/E
Musta pammu.
Tuotekoodi: 36010-01
193,00 €
Heti omasta varastosta
Tuotteet lähetetään 1-4 arkipäivässä
kpl

Uusi
Trumatic
Truma ohjauspaneeli CP classic, musta
Combi/E Combi diesel, mekaaninen.
Truma ohjauspaneeli CP classic, musta, Combi/E Combi diesel, mekaaninen. Tilaustuote saatavana 2-4 arkityöpäivään.
Tuotekoodi: 36011-01
187,00 €
Tuote tilapäisesti loppu

Ohjauspaneelin kaapeli 6 m Combi
Tuotekoodi: 36110-02
25,52 €
Heti omasta varastosta
Tuotteet lähetetään 1-4 arkipäivässä
kpl

Seinäläpivienti E-2800/4000/C-lämm. /
Combi pannut pakosarja-imuilma
Seinäläpivienti E-2800/4000/C-lämm./Combi-pannut pakosarja + imupolttoilma
Tuotekoodi: 36130-01
144,00 €
Tuote tilapäisesti loppu

Trumatic
Seinäläpiviennin ulko-osa Trumatic valk.
Seinäläpivienneille Combi ja C-pannu
Truma seinäläpiviennin ulko-osa, kermavalkoinen
Tuotekoodi: 36151-01
50,00 €
Heti omasta varastosta
Tuotteet lähetetään 1-4 arkipäivässä
kpl

Trumatic
Seinäläpiviennin ulko-osa Trumatic
Antrasiitinharaa ZR 80 Combipannut
Tuotekoodi: 36151-10
46,00 €
Tuotetta saatavissa verkkokaupan etävarastosta
Lähetysaika n. 7-20 arkipäivää arkipäivää
kpl

ALDE
Pakoputki 3000/3010, E-28/40, C-lämm. / Combi
Combi.
Truma pakoputki Combi, E 2800, E 4000 ja C-lämmitin Lämmittimiin: Truma Combi, E 2800, E 4000 ja C-lämmitin Alde Compact 3030, 3020,3010, 3000. Sisähalkaisija 50mm/ulko 55 mm. 3000359...
Tuotekoodi: 39320-00Tilauskoodi: 39320-00
33,92 €
Heti omasta varastosta
Tuotteet lähetetään 1-4 arkipäivässä
m

Tyhjennysventtiili 2,8 bar + vesisarja
Putkiliitos. kylmä-ja lämminvesi pannuun
Truman vesisarja putkiliitokset kylmään ja lämpimäänvetee ja tyhjennys-ylipaine venttiili.
Tuotekoodi: 70400-01
95,00 €
Tuotetta saatavissa verkkokaupan etävarastosta
Lähetysaika n. 7-20 arkipäivää arkipäivää
kpl

Käyttöpaneelin kaapeli 3 m EV Truma
Kabel Combi tin-bus
Kaapeli TIN-Bus 3 m lämityslaiteille Combi ja Combi E ja Alde 3020 Variantti 3 m Artikkelinro 9913935 EAN 4052816008929 Jatkokaapeli Heizgeratelle. Jatko jako Laatikko ei sisälly toimitukseen...
Tuotekoodi: 9913935EAN: {ean}
16,50 €
Tuotetta saatavissa verkkokaupan etävarastosta
Lähetysaika n. 7-20 arkipäivää arkipäivää
kpl

Trumatic
Käyttöpaneelin kaapeli 6 m EV Truma
Combi tin bus. no. 36110-02
Ohjauspaneelin kaapeli Truma Combi 6 m. truma Kabel truma TIN-Bus 6 m für Heizgerät Combi und Combi E truma Kaapeli truma TIN-Bus 6 m Combi- ja Combi E -lämmittimille tuotenro 9915058 EAN...
Tuotekoodi: 9915058EAN: {ean}
22,00 €
Heti omasta varastosta
Tuotteet lähetetään 1-4 arkipäivässä
kpl

Dichtungssatz Combi (E) Tiivistyssarja
Vm 2007-2018.
Tuotekoodi: 9923438
49,45 €
Heti omasta varastosta
Tuotteet lähetetään 1-4 arkipäivässä
kpl

Poltinsarja Combi D. 34020-65500
Kuvassa N.4 :n mukaan.
Tuotekoodi: 9926577
1131,26 €
Tuote tilapäisesti loppu

Truma Combii ELEKTRONIC CB 6 / 6E
2015 - 6/2018 asti.
Truma COMBI ELEKTRONIC CB 6 / 6E i malli 6/2018 asti-
Tuotekoodi: 9938220
475,21 €
Heti omasta varastosta
Tuotteet lähetetään 1-4 arkipäivässä
kpl


Truma i Net Set iNet box+ Bedienenteil
Truma Cp Plus. Ohjauspaneeli+ iNet Box
tuotetiedot tuotteen kuvaus iNet asettaa iNet-ruutuun ja ohjauspaneeliin CP Plus Truman lämmitys- ja ilmastointijärjestelmien älykäs kaukosäädina ohjaus sovelluksen kautta. Kätevä...
Tuotekoodi: 9942506
553,54 €
Tuote tilapäisesti loppu

Magnetventilset 2S Combi (E)
Tuotekoodi: 9952745
318,00 €
Heti omasta varastosta
Tuotteet lähetetään 1-4 arkipäivässä
kpl


Trumatic
Sytytin Truma Combi (E) kaikki mallit
Truma sytytysmuuntaja Combi kaasulämm.
Tuotekoodi: 9952752EAN: {ean}
156,00 €
Heti omasta varastosta
Tuotteet lähetetään 1-4 arkipäivässä
kpl

Trumatic
Paloilmamoottori Set Combi 4/6 (E) D
Moottori combin paloilmaan vuosi 2008 alkaen. kaikki mallit.
Tuotekoodi: 9952753EAN: {ean}
443,51 € - 463,38 €
Useita vaihtoehtoja

Hehkutulppa+ tiivistesarja Combi Diesel
34020-00236
Tuotekoodi: 9952754
246,28 €
Tuote tilapäisesti loppu


















