Lukitusmutteri M 4Truman magnettiventtin mutteri kuva 58Tuotekoodi: 10020-25000 (0)6,80 € Tuote tilapäisesti loppu
Lukitusruuvi AM 4 x 4Puhaltimen siipipyörään. Kuvassa N.73Tuotekoodi: 10020-41000 (0)6,80 € Tuote tilapäisesti loppu
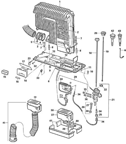
O-rengas 32 x 2,5Kuvassa n.9 vastksen tiiviste.Tuotekoodi: 10030-15600 (0)9,70 € Tuote tilapäisesti loppu
O-rengas 32 x 2,8Tuotekoodi: 10030-15700 (0)10,00 € Tuotetta saatavissa verkkokaupan etävarastostaLähetysaika n. 7-20 arkityöpäivää arkipäivääMääräkpl
O-rengas 10 x 25Kuvassa N, 110 vesiputkissaTuotekoodi: 10030-21600 (0)9,70 € Tuote tilapäisesti loppu
O-rengas 16 x 2,5Kuvassa N. 6 Liekkiväliputken tiivisteTuotekoodi: 10030-23400 (0)9,70 € Tuote tilapäisesti loppu
O-rengas 16 x 3,5Kuvassa n. 100. Palopään sisälläTuotekoodi: 10030-23600 (0)9,70 € Tuote tilapäisesti loppu
O-rengas 90 x 3Toimitus 1-4 vrk.Tuotekoodi: 10030-26900 (0)10,60 € Heti omasta varastostaTuotteet lähetetään 1-4 arkipäivässäMääräkpl
O-rengas 110 x 2Osa no, 96 varaosakuvassaTuotekoodi: 10030-27000 (0)9,70 € Heti omasta varastostaTuotteet lähetetään 1-4 arkipäivässäMääräkpl
Kattoläpiviennin tiiviste truma pakoput-Keen katolle.Tuotekoodi: 30010-20600 (0)15,71 € Heti omasta varastostaTuotteet lähetetään 1-4 arkipäivässäMääräkpl
Kattoläpiviennin hattuTuotekoodi: 30010-20900 (0)20,80 € Heti omasta varastostaTuotteet lähetetään 1-4 arkipäivässäMääräkpl
Sytytyssuutin S3002 ja S3004Troma S3002/3004Tuotekoodi: 30030+02400 (0)69,00 € Heti omasta varastostaTuotteet lähetetään 1-4 arkipäivässäMääräkpl
Piezosytytin S3002P jos vanha etupeltiKuvassa N.42Tuotekoodi: 30030-00300 (0)76,00 € Tuote tilapäisesti loppu
Palosuutin S3002 ja S3004, Kuva No.36Tuotekoodi: 30030-02200 (0)34,00 € Heti omasta varastostaTuotteet lähetetään 1-4 arkipäivässäMääräkpl
Pakoputken kiinnityssarja S3004/S3002KuvassaTruma S3002 ja S3004 pakoputken kiinnityssarja kuvassa No 3Tuotekoodi: 30030-03600 (0)27,65 € Heti omasta varastostaTuotteet lähetetään 1-4 arkipäivässäMääräkpl
Truma paloilman ottokotelo 12/1988- alkS3002- S5002.Trumatic S3002-5002 paloilmakotelo. sisältyy ilmanottoritilä ja kiinnitysjouset.Tuotekoodi: 30030-04300 (0)66,68 € Heti omasta varastostaTuotteet lähetetään 1-4 arkipäivässäMääräkpl
Paloilman ottokotelon pidennyssarja 50 cm50 cmTuotekoodi: 30030-04800 (0)147,00 € Heti omasta varastostaTuotteet lähetetään 1-4 arkipäivässäMääräkpl
Magneettiventtiilin mutteri truma S30025002kuvassa N.25Truma magneettiventtiilin mutteri S 3002 S 5002Tuotekoodi: 30030-12000 (0)11,45 € Tuotetta saatavissa verkkokaupan etävarastostaLähetysaika n. 7-20 arkityöpäivää arkipäivääMääräkpl
Magneettiventtiili S3002/S3004 ja S5002/S5004Kuvassa No.24.Tuotekoodi: 30030-12200 (0)53,40 € Heti omasta varastostaTuotteet lähetetään 1-4 arkipäivässäMääräkpl
Sytytysautomaatin suojapeltiKuvassa N.17.Tuotekoodi: 30030-16100 (0)12,71 € Tuotetta saatavissa verkkokaupan etävarastostaLähetysaika n. 7-20 arkityöpäivää arkipäivääMääräkpl
Suojapelti paloilman otolleTuotekoodi: 30030-16400 (0)31,80 € Tuotetta saatavissa verkkokaupan etävarastostaLähetysaika n. 7-20 arkityöpäivää arkipäivääMääräkpl
Alupelti reijällinen palokoten pohjallePaloilman säätölevyTuotekoodi: 30030-17500 (0)14,54 € Heti omasta varastostaTuotteet lähetetään 1-4 arkipäivässäMääräkpl
Kiinnitysjousi Kiinnitysjousi alk. 12/19S 3002 / S5002 Kuvassa N. 39Jousi kuvassa N. 39Tuotekoodi: 30030-28500 (0)6,80 € Heti omasta varastostaTuotteet lähetetään 1-4 arkipäivässäMääräkpl
ReunasuojaTuotekoodi: 30030-29300 (0)4,50 € Tuotetta saatavissa verkkokaupan etävarastostaLähetysaika n. 7-20 arkityöpäivää arkipäivääMääräkpl
Lämmittimen pohjalevy Truma S3002Kuvassa No.6Tuotekoodi: 30030-33300 (0)99,28 € Tuote tilapäisesti loppu
TrumaticIkkuna pieni 42 x 15 mm kuvassa No 2Tuotekoodi: 30030-42700 (0)32,00 € Heti omasta varastostaTuotteet lähetetään 1-4 arkipäivässäMääräkpl
Lämmönvaihdin S3002 ja S3004Truman pannuunTuotekoodi: 30030-89400 (0)414,00 € Tuote tilapäisesti loppu
Säätötanko alk. 05/1996 Tilalle 30090-00040Ei saa enää, nyt. No. 9952758Tuotekoodi: 30040-13600 (0)86,00 € Tuote tilapäisesti loppu