
- Ajoneuvotekniikka
- Ajoneuvot
- Ajoneuvo vuokraus
- Markiisit ja Etuteltat
- Kaasuosat ja lämmityslaitteet.
- Kaasu -asennusosat
- Lämmitysys kaasulla,Dieselillä, Bensalla
- Truma Diesel-l kaasu Bensa lämmittimet
- Diesel pannujen osat
- Alde lämmityspannut
- Alde varaosat ja tarvikkeet
- Nesteklämpökierto-osat
- Ilmakeskuslämmityskierto osat
- Truma osat S3002-04, 5002-04 ja 3002K-4k
- Truma C3402- 4002-6002CH varaosat
- Truma Combi - EH pannujen osat
- Truma 2800-4000 jne varaosat
- Truma S5004-S3004 ja S 2200 lämmitin
- Truma S5004-S3004 ja S 2200 osat
- Vario Heat lämmittimet ja osat
- Lämmittimien pakosarjan osat
- Truma Combi / E / Diesel varaosat
- Agua-Hot kaasu 6 kkw sähkö 1,8 Kw
- Webasto nestekaasulämmittimet autoon
- Trumatic 2200 ja osat
- Dometic kaasu-sähkö lämmitys
- Webasto+vastaavat lämmittimet.
- Safire Diesellämmittimet
- Mökkillämmitin Diesel Safire
- Kaasutekniikka laittet ja osat.
- Grillit uunit ja keittimet
- Primus- Alde, Trumatic osat - tarvikkeet
- Vesikeskuslämmitysosat
- Vedenlämmittimet
- Lämmityslaiteiden osat KAMA.tilaustuotte
- Multimedia
- Sähkö
- Vesi, viemari ja WC
- Leirintä ja puutarha
- Keittiövarusteet Jääkaapit Ilmastointi
- Lajittelemattomat varaosat
- Asuntotontit Kasurilassa
- Moottoripyörät myynti
- Uutuudet
- Tarjouksessa
Alennuskoodi / lahjakortti
Onko sinulla kampanja- tai alennuskoodi?

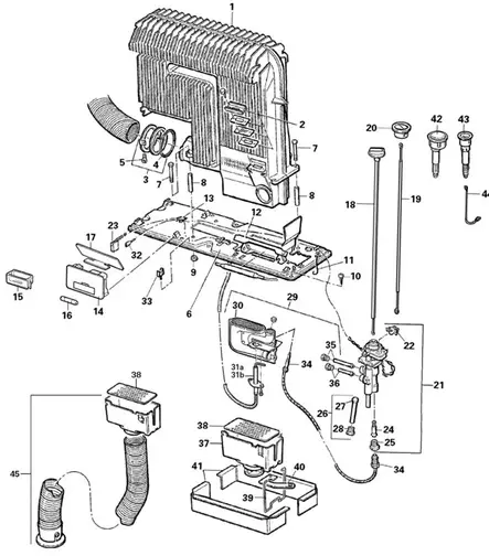
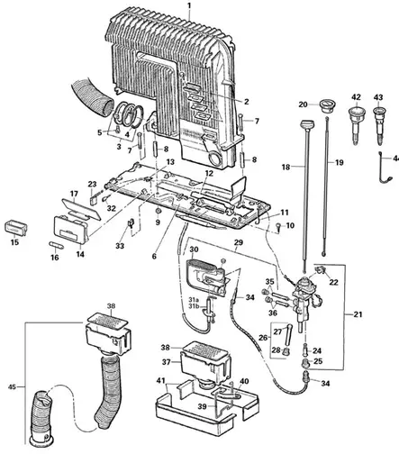
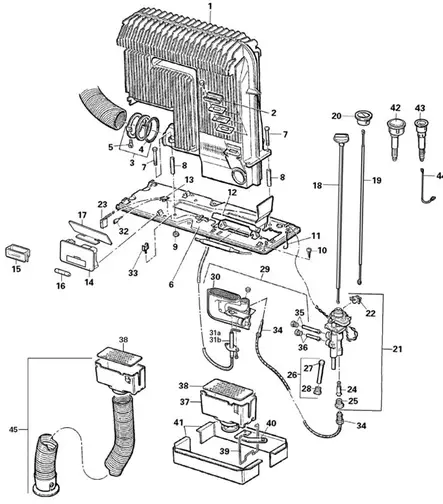
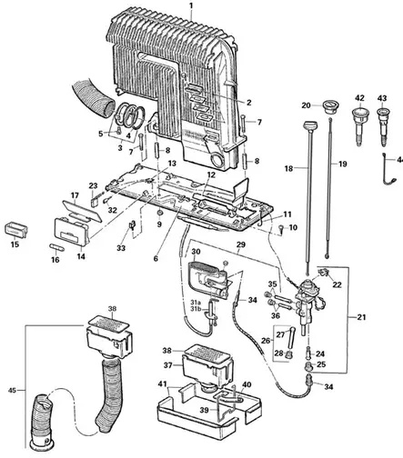
Truma osat S3002-04, 5002-04 ja 3002K-4k
EUR
150 tuotetta
Järjestys:


Piezosytytin S3002P jos uusi pyöreä etupelti
Tuotekoodi: 30040-62900
134,00 €
Tuote tilapäisesti loppu

Sytytyskärki 75 cm puristuskiinnitys
Truma S3002 No. 31 kuvassa
Tuotekoodi: 30040-64500
70,00 €
Tuote tilapäisesti loppu

Sytytyskärki 45 cm ruuvikinnitys
No 31. kuvassa
Tuotekoodi: 30040-65800
74,00 €
Heti omasta varastosta
Tuotteet lähetetään 1-4 arkipäivässä
kpl

Sytytyskärki 75 cm ruuvikiinnitys No.31
Truman palopäähän S5002/5004/3004/3002
Tuotekoodi: 30040-65900
76,00 €
Heti omasta varastosta
Tuotteet lähetetään 1-4 arkipäivässä
kpl

Sytytyssuutin S5002 /3004
Trumatic 5002;n sytytyssuutin 30 mbar kuparia. Asennuksen saa suorittaa vain nestekaasuoikeudet omaava valtuutettu Trumatic asentaja. Kuvassa numero 41.
Tuotekoodi: 30050-00800Tilauskoodi: 30050-00800
118,00 €
Heti omasta varastosta
Tuotteet lähetetään 1-4 arkipäivässä
kpl


Palosuutin S5002
Tuotekoodi: 30050-01000
118,00 €
Heti omasta varastosta
Tuotteet lähetetään 1-4 arkipäivässä
kpl

Poltinpari S5002 pelkkä poltin ilman
Varusteita.
Tuotekoodi: 30050-07800
164,00 €
Tuote tilapäisesti loppu

Sytytyskärki 55 cm ruuvikiinnitys alk. 08/2004
Tuotekoodi: 30050-08600
74,00 €
Tuote tilapäisesti loppu

Termoelementti 25 cm truma S3002/5002
Liekinvahti palopäähän No 34 kuvassa
Tuotekoodi: 30050-13900
60,30 €
Heti omasta varastosta
Tuotteet lähetetään 1-4 arkipäivässä
kpl


Sytytysputki alk. 01/1989
Tuotekoodi: 30050-18700
74,00 €
Heti omasta varastosta
Tuotteet lähetetään 1-4 arkipäivässä
kpl

Takapeltisarja sisäosa S 5002 2:lle puh.
Tuotekoodi: 30050-51300
191,00 €
Tuote tilapäisesti loppu

Takapeltisarja S 5002 2:lle puhaltimelle
Tuotekoodi: 30050-52200
319,00 €
Tuote tilapäisesti loppu


Sytytysautomaatti
30050-53000 Sytytysautomaatti S3002/5002 / S3004/S5004
Tuotekoodi: 30050-53000
193,00 €
Heti omasta varastosta
Tuotteet lähetetään 1-4 arkipäivässä
kpl

Truman sytyttimen liitoskaapeli jos
Lämmitin 04/1999 tai vanhemp,i ei kuvaa
Tuotekoodi: 30050-53500
39,00 €
Tuote tilapäisesti loppu

Sytytysventtiili S3002/5002 Tilalle 30090-00035
Tuotekoodi: 30050-58000
395,00 €
Heti omasta varastosta
Tuotteet lähetetään 1-4 arkipäivässä
kpl


Mikrokytkin truman sytytysventtiiliin.
Tuotekoodi: 30050-58100
104,00 €
Heti omasta varastosta
Tuotteet lähetetään 1-4 arkipäivässä
kpl


Sytytysventtiilisarja S3004 ja S5004
(S3002/5002 )
Tuotekoodi: 30090-00036
297,00 €
Tuote tilapäisesti loppu

Poltinsarja 30 mbar S3002
Tuotekoodi: 30090-00038
86,00 €
Heti omasta varastosta
Tuotteet lähetetään 1-4 arkipäivässä
srj

Säätötankosarja S3002, Kuva N,19,1
Sis. tanko+nuppi+kaulus alk. 5/1996
Tuotekoodi: 30090-00040
86,00 €
Tuote tilapäisesti loppu

Piezosytytinsarja S3002 jos uudempi
Pyöreämpi etupelti
Tuotekoodi: 30090-00042
121,00 €
Heti omasta varastosta
Tuotteet lähetetään 1-4 arkipäivässä
kpl


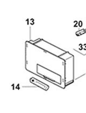
Truma S 3002 SL Sytytysautomaatti
Kuvassa No 14.
Tuotekoodi: 30090-00077
145,00 €
Heti omasta varastosta
Tuotteet lähetetään 1-4 arkipäivässä
kpl
Trumatic sytytysventtiilisarja S3002 ja
S5002 alk 5/1996
Tuotekoodi: 30090-00142
287,14 €
Tuotetta saatavissa verkkokaupan etävarastosta
Lähetysaika n. 7-20 arkityöpäivää arkipäivää
kpl


Trumatic
Sytytysautomaattisarja jälkiasennettava
S3002P ,S3004 P S 5002 P. muutokseen
Paristo ei kuulu hintaan. tilattava erikseen. Mukana kärkisarja vaihdeetaaksi sytytysventtiiliin johtoineen sytytysautomaattiin.
Tuotekoodi: 30580-01
165,81 €
Heti omasta varastosta
Tuotteet lähetetään 1-4 arkipäivässä
kpl


Lautsprecher zu Heizung S 5002 lämmitin
Kaiutin Kaminan liekin rätinälle.N,790
KLuvassa numero 790 kaiutin liekin rätinälle. Truma No.30050-66100
Tuotekoodi: 9904076
56,85 €
Tuotetta saatavissa verkkokaupan etävarastosta
Lähetysaika n. 7-20 arkityöpäivää arkipäivää
kpl

Palosuutin S5002 ja S5004 30 mbar
Trumatic
Tuotekoodi: 9906218
118,00 €
Tuotetta saatavissa verkkokaupan etävarastosta
Lähetysaika n. 7-20 arkityöpäivää arkipäivää
kpl


DSW kaksoisputken pidin Truma S2200
Kaksoisputketuki DSW Poisto- ja tuloilma sivuseinän läpi. Putkien pituudet 75 cm ja 120 cm pakolliset määrätty. 9950791
Tuotekoodi: 9950791
22,60 €
Tuotetta saatavissa verkkokaupan etävarastosta
Lähetysaika n. 7-20 arkityöpäivää arkipäivää
kpl


AKD-S 2200 pakoputken ulkosarja
Ilman putkia ja peitto hattua.
Truma S 2200 lämmitykseen. sisältö: Pakoputken ulkopää AK 3 toimituksen sisältö: Ilman putkia
Tuotekoodi: 9950792EAN: {ean}
77,80 €
Heti omasta varastosta
Tuotteet lähetetään 1-4 arkipäivässä
kpl


Sytytysventtiili sarja S 3004 / S 5004
Truma
Truma sytytys ja säätöventtiili 3002 ja 5002 mallit.
Tuotekoodi: 9952739
297,00 €
Heti omasta varastosta
Tuotteet lähetetään 1-4 arkipäivässä
kpl

Sytytystankosarja sis.tanko.nuppi,kaulus
Truma S3002 S / K.
Tuotekoodi: 9952758
72,00 €
Heti omasta varastosta
Tuotteet lähetetään 1-4 arkipäivässä
kpl

Käyttösytytyssarja S 5002
Tuotekoodi: 9952768
79,17 €
Heti omasta varastosta
Tuotteet lähetetään 1-4 arkipäivässä
kpl


Verkleidung zu S 3002 ab `96
Sepiabraun
Alkuperäinen etuverhouslevy, väri sepraruskea. Ei sisälly lämmitin pakettiin. Tilaustuote valmistajalta. Toimitusn.1-3 vk tilauksen jälkeen. Rahdituspaino n.6 kg.
Tuotekoodi: 9953950Tilauskoodi: 9953950
209,08 €
Tuotetta saatavissa verkkokaupan etävarastosta
Lähetysaika n. 7-20 arkityöpäivää arkipäivää
kpl


Verkleidung zu S 3002 ab `96
Achatgrau
Alkuperäinen etuverhouslevy 3002:een, sisältää yläreikiin kalusteet.-nappulat. Täydellinen. Harmaa alaosa ruskeat sivut ja yläosa. Tilaustuote valmistajalta. Toimitus n.2-4 :n viikon kuluttua...
Tuotekoodi: 9953960Tilauskoodi: 9953960
198,67 €
Tuotetta saatavissa verkkokaupan etävarastosta
Lähetysaika n. 7-20 arkityöpäivää arkipäivää
kpl


Truma Combi 4 (E) plus TB INET ready 30 Mbar.
Lämmitin Truma Combi 4 (E) plus TB INET ready 30 mbar nestekaasulla 4 KW ja 230 V. sähköllä 1.8 Kw. Uudella digitaakisella ohjauspaneelilla Lämmitin lämmittää automaattisesti...
Tuotekoodi: 9954012Tilauskoodi: 9954502
2772,65 €
Tuotetta saatavissa verkkokaupan etävarastosta
Lähetysaika n. 7-20 arkityöpäivää arkipäivää
kpl


Sytytysventtiilisarja S3002-/S5002
30090-00142. alkaen 5/1996.vanhamalli
Sytytysventtiili 3002 /5002 alk. vm 1996 truma sytytysvaroventtiilisarja S3002 / S5002 Tuotenro 9954029 EAN 4052816034683
Tuotekoodi: 9954029EAN: {ean}
291,00 €
Tuotetta saatavissa verkkokaupan etävarastosta
Lähetysaika n. 7-20 arkityöpäivää arkipäivää
kpl


Trumatic S 5002 etupelti ruskea uusi malli
Trumatic S 5002 etupelti ruskea uusi malli.
Tuotekoodi: 9954042EAN: {ean}Tilauskoodi: 9954042
320,49 €
Heti omasta varastosta
Tuotteet lähetetään 1-4 arkipäivässä
kpl


Verkleidung zu S 5002
Achatgrau
Alkuperäinen etuverhouslevy 5002:een trumaan. Harmaa alaosa ja ruskeat sivut ja yläosa. Erikoistilaustuote tehtaalta. Toimitus 2-4 viikon kuluessa tilauksesta. Rahdituspaino n.10 kg...
Tuotekoodi: 9954043Tilauskoodi: 9954043
320,49 €
Tuotetta saatavissa verkkokaupan etävarastosta
Lähetysaika n. 7-20 arkityöpäivää arkipäivää
kpl


Kattokaminasarja AK3 S2200:lle,ilman
2,5 m pakoputkea ja 2 suojaputkea sis.
sis. Katto-osat -putket tilattava erikseen. Haluttaessa seinäläpiviennit, ne on tilattava erikseen . samoin putket.
Tuotekoodi: 9954057EAN: {ean}
85,58 €
Heti omasta varastosta
Tuotteet lähetetään 1-4 arkipäivässä
kpl






















