- Ajoneuvotekniikka
- Ajoneuvot
- Ajoneuvo vuokraus
- Markiisit ja Etuteltat
- Kaasuosat ja lämmityslaitteet.
- Kaasu -asennusosat
- Lämmitysys kaasulla,Dieselillä, Bensalla
- Truma Diesel-l kaasu Bensa lämmittimet
- Diesel pannujen osat
- Alde lämmityspannut
- Alde varaosat ja tarvikkeet
- Nesteklämpökierto-osat
- Ilmakeskuslämmityskierto osat
- Truma osat S3002-04, 5002-04 ja 3002K-4k
- Truma C3402- 4002-6002CH varaosat
- Truma Combi - EH pannujen osat
- Truma 2800-4000 jne varaosat
- Truma S5004-S3004 ja S 2200 lämmitin
- Truma S5004-S3004 ja S 2200 osat
- Vario Heat lämmittimet ja osat
- Lämmittimien pakosarjan osat
- Truma Combi / E / Diesel varaosat
- Agua-Hot kaasu 6 kkw sähkö 1,8 Kw
- Webasto nestekaasulämmittimet autoon
- Trumatic 2200 ja osat
- Dometic kaasu-sähkö lämmitys
- Webasto+vastaavat lämmittimet.
- Safire Diesellämmittimet
- Mökkillämmitin Diesel Safire
- Kaasutekniikka laittet ja osat.
- Grillit uunit ja keittimet
- Primus- Alde, Trumatic osat - tarvikkeet
- Vesikeskuslämmitysosat
- Vedenlämmittimet
- Lämmityslaiteiden osat KAMA.tilaustuotte
- Multimedia
- Sähkö
- Vesi, viemari ja WC
- Leirintä ja puutarha
- Keittiövarusteet Jääkaapit Ilmastointi
- Lajittelemattomat varaosat
- Asuntotontit Kasurilassa
- Moottoripyörät myynti
- Uutuudet
- Tarjouksessa
Alennuskoodi / lahjakortti
Onko sinulla kampanja- tai alennuskoodi?
Jaa tuote
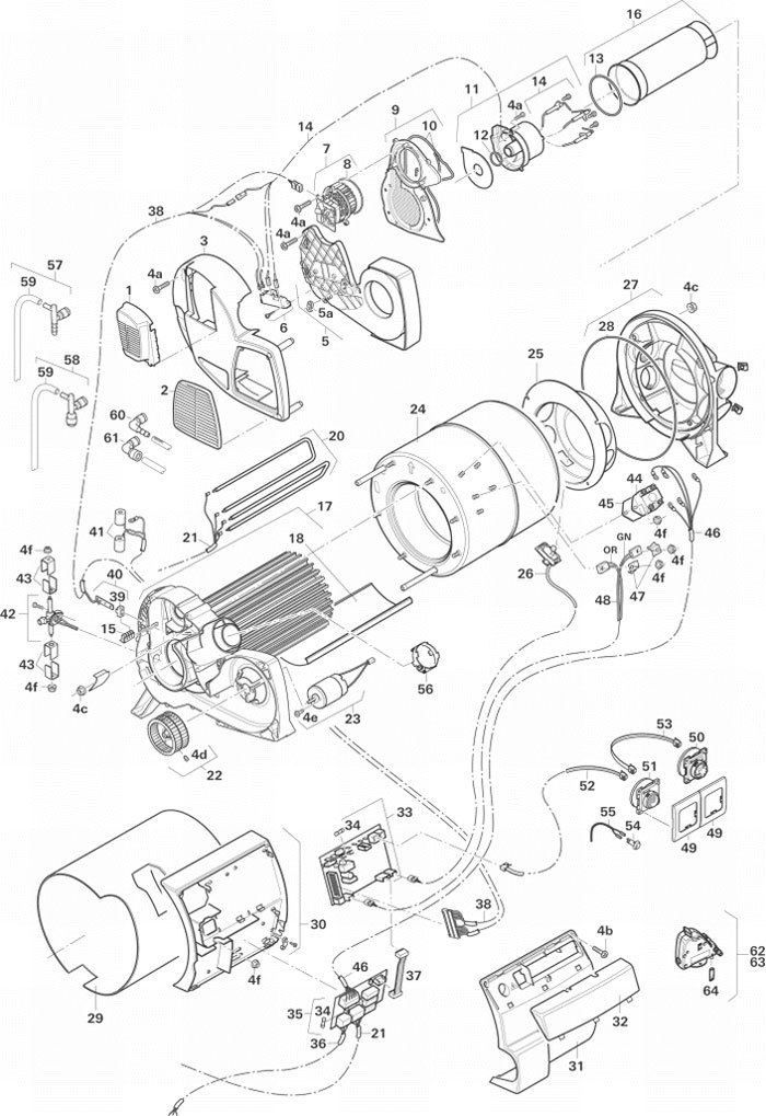
Paloilmakotelon pohja Combi



126,00 €
- Tuotekoodi: 34020-60400
- Tuote tilapäisesti loppu
Haluan saada ilmoituksen kun tuotetta on varastossa
Paloilmakotelon pohja Combi
Anna sähköpostiosoitteesi niin lähetämme sinulle viestin kun tuotetta on taas saatavilla varastosta. Tämän jälkeen sähköpostiosoitteesi poistetaan listaltamme.
Oletko ostanut tämän tuotteen?
Nouto Postista
7,90 €
Nouto Postin pakettiautomaatista
7,90 €
Särkyvä lähetys
22,00 €
Nouto myymälästä
0,00 €