- Ajoneuvotekniikka
- Ajoneuvot
- Ajoneuvo vuokraus
- Markiisit ja Etuteltat
- Kaasuosat ja lämmityslaitteet.
- Kaasu -asennusosat
- Lämmitysys kaasulla,Dieselillä, Bensalla
- Truma Diesel-l kaasu Bensa lämmittimet
- Diesel pannujen osat
- Alde lämmityspannut
- Alde varaosat ja tarvikkeet
- Nesteklämpökierto-osat
- Ilmakeskuslämmityskierto osat
- Truma osat S3002-04, 5002-04 ja 3002K-4k
- Truma C3402- 4002-6002CH varaosat
- Truma Combi - EH pannujen osat
- Truma 2800-4000 jne varaosat
- Truma S5004-S3004 ja S 2200 lämmitin
- Truma S5004-S3004 ja S 2200 osat
- Vario Heat lämmittimet ja osat
- Lämmittimien pakosarjan osat
- Truma Combi / E / Diesel varaosat
- Agua-Hot kaasu 6 kkw sähkö 1,8 Kw
- Webasto nestekaasulämmittimet autoon
- Trumatic 2200 ja osat
- Dometic kaasu-sähkö lämmitys
- Webasto+vastaavat lämmittimet.
- Safire Diesellämmittimet
- Mökkillämmitin Diesel Safire
- Kaasutekniikka laittet ja osat.
- Grillit uunit ja keittimet
- Primus- Alde, Trumatic osat - tarvikkeet
- Vesikeskuslämmitysosat
- Vedenlämmittimet
- Lämmityslaiteiden osat KAMA.tilaustuotte
- Multimedia
- Sähkö
- Vesi, viemari ja WC
- Leirintä ja puutarha
- Keittiövarusteet Jääkaapit Ilmastointi
- Lajittelemattomat varaosat
- Asuntotontit Kasurilassa
- Moottoripyörät myynti
- Uutuudet
- Tarjouksessa
Alennuskoodi / lahjakortti
Onko sinulla kampanja- tai alennuskoodi?
Jaa tuote
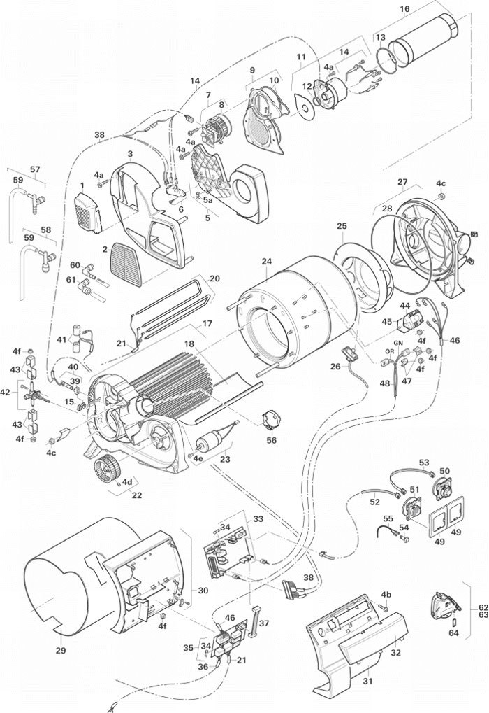
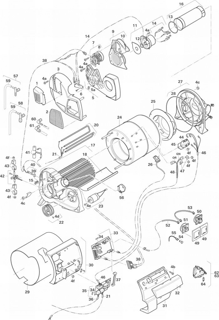
Paloilmapuhaltimen moottori Combi Tilalle 34020-00235



336,00 €
- Tuotekoodi: 34020-60300
- Tuote tilapäisesti loppu
Haluan saada ilmoituksen kun tuotetta on varastossa
Paloilmapuhaltimen moottori Combi Tilalle 34020-00235
Anna sähköpostiosoitteesi niin lähetämme sinulle viestin kun tuotetta on taas saatavilla varastosta. Tämän jälkeen sähköpostiosoitteesi poistetaan listaltamme.
Oletko ostanut tämän tuotteen?
Nouto Postista
7,90 €
Nouto Postin pakettiautomaatista
7,90 €
Särkyvä lähetys
22,00 €
Nouto myymälästä
0,00 €